
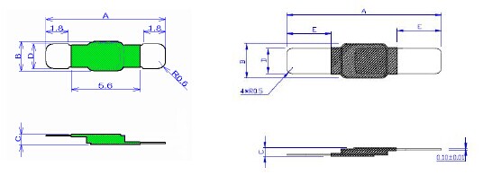
产品尺寸:

产品环境温度锐减:

产品电性能参数:

IH:25℃静止空气中不触发自复保险丝PTC电阻突变的最大电流.
IT: 25℃静止空气中自复保险丝PTC从低阻转为高阻的最低电流.
Vmax: 自复保险丝PTC能承受的最大工作电压
Imax: 自复保险丝PTC在最大电压下所能承受的最大电流.
PDtyp: 在25℃静止空气环境下,PTC动作后的功率损耗总值
Rmin: 在25℃静止空气环境下,PTC动作之前的最小电阻值。
Rmax: 在25℃静止空气环境下,PTC动作之前的最大电阻值。
R1max:在25℃静止空气环境下,PTC动作之前的最大焊接电阻值。